GNG DEVELOPMENTS - AUTOMOTIVE SPECIALISTS

SERVICING, MAINTENANCE, ENGINE MANAGEMENT AND MORE

WIRING DIAGRAMS

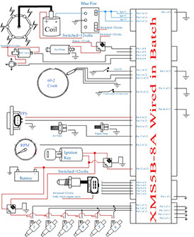
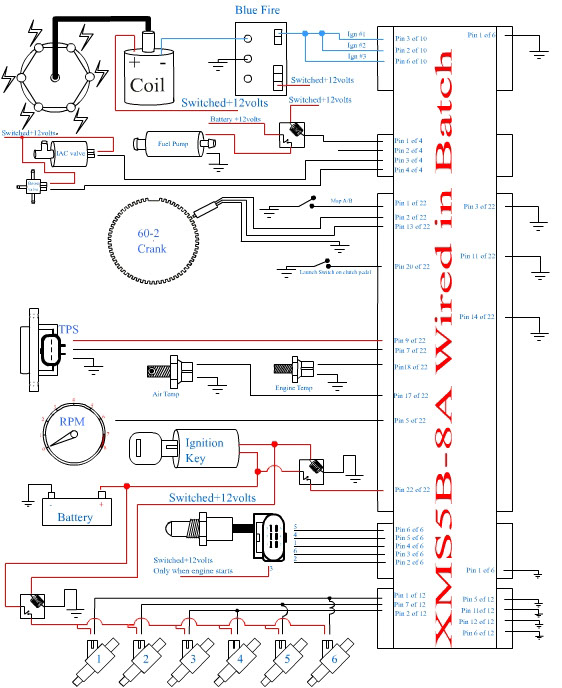
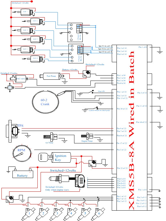
Click on the image below to enlarge.

Select a Wiring Diagram PDF below.

GNG Developments | Automotive Specialists
GNG Developments | Automotive Specialists

View more wiring diagrams straight from the Perfect Power website for all piggy-back and stand alone engine management systems and installations.

CONTACT US

Complete the form below to get in touch with the team, for assistance in choosing the correct system for your vehicle, maintenance, appointments and dyno power runs.

Submitting Form...

The server encountered an error.

Form received.

VISIT US / COLLECTIONS

Find us in Klapperboom Avenue, Randpark Ridge, Randburg, Johannesburg,

Gauteng, South Africa, 2169

GNG Developments on Facebook GNG Developments on Google+ GNG Developments on YouTube